Socket Welding Flange redefinira visokotlačne spojeve cjevovoda integracijom superiorne čvrstoće s besprijekornom dinamikom fluida, projektiranom da pruži neusporedivu izvedbu u kompaktnim, zahtjevnim aplikacijama. Dizajnirana za cijevi malog promjera, ova prirubnica koristi konfiguraciju zavarivanja naglavkom koja inkapsulira zavareni spoj unutar same prirubnice, eliminirajući vanjske zavarene izbočine i minimizirajući otpor protoka - kritična prednost u sustavima gdje su smanjenje turbulencije i higijena najvažniji. Skriveni zavar ne samo da pojednostavljuje čišćenje i inspekciju u sterilnim okruženjima kao što su farmaceutska postrojenja ili postrojenja za preradu hrane, već također poboljšava strukturalni integritet, otporan na vibracije i skokove tlaka u rafinerijama nafte i plina, kemijskim reaktorima ili visokotlačnim parnim vodovima. Precizno izrađen od kovanog ugljičnog čelika ili nehrđajućeg čelika, kombinira otpornost na koroziju s iznimnom vlačnom čvrstoćom, osiguravajući nepropusno brtvljenje čak i pod ekstremnim temperaturama i pritiscima.
| Raspon promjera | DN15(1/2")-DN150(6") |
| Nazivni tlak | 1,6-16 MPa |
| Potvrda | PED, AD2000, EAC, ABS, BV, DNV, NORSOK M650, ISO9001, ISO14001, ISO45001, itd. |
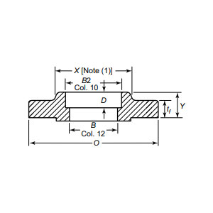
| Uvod u funkciju | Spoj za zavarivanje naglavkom, Dizajn skrivenog zavara smanjuje otpor protoka, Optimizirano za visokotlačne primjene malog promjera, Vrhunska izvedba brtvljenja |
| Polja primjene | Primjenjivo na prirubničke spojeve cijevi u naftovodima i plinovodima velike udaljenosti, offshore platformama, kemijskoj opremi, sustavima za pročišćavanje vode te prehrambenoj i farmaceutskoj industriji, prilagođeno složenim radnim uvjetima. |
| Pakiranje | Paket pogodan za more, kutije od šperploče ili palete ili prema zahtjevu kupaca |
| Istaknuti proizvodi | 1、 Minimalna narudžba male serije; |
Njegov kompaktni dizajn pojednostavljuje instalaciju u uskim prostorima, dok robustan spoj podnosi cikličko toplinsko širenje, što ga čini idealnim za offshore platforme, turbine za proizvodnju električne energije i hidrauličke sustave. Uklanjanjem potencijalnih slabih točaka i smanjenjem ciklusa održavanja, ova prirubnica omogućuje industrijama da daju prioritet sigurnosti bez ugrožavanja učinkovitosti. Potpomognut usklađenošću sa standardima ASME B16.5 i rigoroznim testiranjem bez razaranja, jamči pouzdanost u operacijama kritičnim za misiju. Za inženjere koji traže kompaktno, visokotlačno rješenje koje spaja izdržljivost s optimizacijom tekućine, prirubnica za zavarivanje naglavkom je ultimativni izbor. Poboljšajte svoju infrastrukturu već danas s našim precizno konstruiranim prirubnicama—gdje se inovacija susreće s otpornošću, omogućujući vašim sustavima da rade s preciznošću, sigurnošću i nepokolebljivim povjerenjem. Odaberite izvrsnost, odaberite izdržljivost i transformirajte potencijal svog cjevovoda.
Od sirovina do konačne isporuke, održavamo rigoroznu kontrolu u svakoj fazi kako bismo osigurali trajnost, izvedbu i dosljednost.
01
02
03
04
05
06
07
08
09
10
11
12
