Slip On Flange stoji kao kamen temeljac isplativih cjevovodnih rješenja, kombinirajući jednostavnost s pouzdanošću kako bi se zadovoljili zahtjevi niskotlačnih sustava. Dizajnirana za integraciju bez napora, ova prirubnica klizi preko cijevi i pričvršćena je kutnim zavarom, pojednostavljujući instalaciju dok minimalizira troškove rada i materijala—idealno za projekte koji paze na proračun bez ugrožavanja performansi. Njegova glatka brtvena površina (FF) osigurava rad bez curenja u netoksičnim, niskotlačnim aplikacijama kao što su komunalne vodovodne mreže, HVAC sustavi i opći industrijski cjevovodi, dok ojačana konkavno-konveksna (MF) površina poboljšava integritet brtvljenja za malo zahtjevnija okruženja.
| Raspon promjera | DN15(1/2")-DN3000(119") |
| Nazivni tlak | PN6-PN16 |
| Potvrda | PED, AD2000, EAC, ABS, BV, DNV, NORSOK M650, ISO9001 ISO14001, ISO45001 itd. |
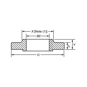
| Uvod u funkciju | Jednostavna zavarena struktura, isplativo rješenje, jednostavna instalacija, FF (ravna površina) za netoksične medije niskog tlaka, MF (muško-žensko) za poboljšano brtvljenje |
| Polja primjene | Primjenjivo na prirubničke spojeve cijevi u naftovodima i plinovodima velike udaljenosti, offshore platformama, kemijskoj opremi, sustavima za pročišćavanje vode te prehrambenoj i farmaceutskoj industriji, prilagođeno složenim radnim uvjetima. |
| Pakiranje | Paket pogodan za more, kutije od šperploče ili palete ili prema zahtjevu kupaca |
| Istaknuti proizvodi | 1、Minimalna narudžba male serije; 2、Brza dostava; 3、Prilagođena proizvodnja; |
Izrađen od izdržljivog ugljičnog čelika ili nehrđajućeg čelika, otporan je na koroziju i mehanička opterećenja, što ga čini svestranim izborom za industrije u rasponu od prerade hrane do kemijske proizvodnje, gdje su higijena i lakoća održavanja prioritet. Kompaktan, lagani dizajn pojednostavljuje naknadnu ugradnju i poravnavanje, smanjujući zastoje tijekom proširenja sustava ili popravaka. Bilo da se koristi u poljoprivrednom navodnjavanju, farmaceutskim postrojenjima ili pomorskim cjevovodima, Slip On Flange neprimjetno se prilagođava različitim rasporedima, osiguravajući sukladnost s ASME i EN standardima. Usklađujući pristupačnost s robusnim inženjeringom, omogućuje inženjerima da optimiziraju troškove infrastrukture bez žrtvovanja sigurnosti. Nadogradite svoje cjevovodne sustave već danas s našim klizajućim prirubnicama—gdje se jednostavnost susreće sa snagom, što vam omogućuje pametniju izgradnju, lakše održavanje i rad s povjerenjem. Odaberite učinkovitost, odaberite pouzdanost i transformirajte svoju cjevovodnu infrastrukturu danas.
Od sirovina do konačne isporuke, održavamo rigoroznu kontrolu u svakoj fazi kako bismo osigurali trajnost, izvedbu i dosljednost.
01
02
03
04
05
06
07
08
09
10
11
12
