Lap Joint Flange redefinira fleksibilnost u sustavima cjevovoda, nudeći dinamičko rješenje za upravljanje naprezanjima toplinskog širenja i skupljanja, dok istovremeno omogućuje besprijekorno rastavljanje u primjenama niskog tlaka. Kombinirajući robusni prsten s prirubnicom i zakretnu komponentu s prirubnicom, ovaj inovativni dizajn omogućuje kontrolirano aksijalno pomicanje cjevovoda, učinkovito apsorbirajući pomake izazvane temperaturom bez ugrožavanja strukturalnog integriteta. Dostupan u dvije konfiguracije—Tip sučeonog zavarenog prstena (PJ/SE) za visoko precizne zavarene spojeve i Tip ravnog zavarenog prstena (PJ/RJ) za pojednostavljenu ugradnju—zadovoljava različite operativne potrebe dok održava performanse otporne na curenje. Izrađena od vrhunskog ugljičnog čelika ili nehrđajućeg čelika, prirubnica je otporna na koroziju i mehaničko trošenje, osiguravajući pouzdanost u industrijama kao što su kemijska obrada, obrada vode i proizvodnja hrane, gdje su često održavanje ili nadogradnja opreme rutina.
| Promjer | DN50(2")-DN2000(80") |
| Pritisak | 0,6-2,5 MPa |
| Potvrda | PED, AD2000, EAC, ABS, BV, DNV, NORSOK M650, ISO9001, ISO14001, ISO45001, itd. |
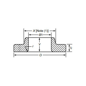
| Uvod u funkciju | U kombinaciji s prirubnim prstenom i prirubnicom, omogućuje aksijalni pomak cjevovoda i smanjuje naprezanje toplinskog širenja. Vrste: prsten za sučeono zavarivanje (PJ/SE) i ravni prsten za zavarivanje (PJ/RJ). Prikladno za niskotlačne cjevovode koji zahtijevaju čestu demontažu. |
| Polja primjene | Primjenjivo na prirubničke spojeve cijevi u naftovodima i plinovodima velike udaljenosti, offshore platformama, kemijskoj opremi, sustavima za pročišćavanje vode te prehrambenoj i farmaceutskoj industriji, prilagođeno složenim radnim uvjetima. |
| Pakiranje | Paket pogodan za more, kutije od šperploče ili palete ili prema zahtjevu kupaca |
| Istaknuti proizvodi | 1、 Minimalna narudžba male serije; |
Njegov rotirajući mehanizam pojednostavljuje poravnavanje tijekom sastavljanja, smanjujući troškove rada i zastoje u sustavima poput hidrauličkih strojeva, HVAC mreža ili modularnih industrijskih postavki. Izolirajući pomicanje prirubnice od naprezanja u cjevovodu, produljuje životni vijek brtvila i vijaka, smanjujući dugoročne troškove zamjene. Od offshore platformi koje zahtijevaju toplinsku kompenzaciju do farmaceutskih tvornica koje trebaju sterilne spojeve koji se lako čiste, Lap Joint Flange osigurava sukladnost s ASME i EN standardima dok se prilagođava rastućim operativnim zahtjevima. Potpomognut rigoroznim testiranjem i svestranom kompatibilnošću, omogućuje inženjerima da dizajniraju otpornu infrastrukturu spremnu za budućnost. Nadogradite svoje sustave cjevovoda danas s našim preklopnim spojnim prirubnicama—gdje se precizno inženjerstvo susreće s prilagodljivom snagom, omogućujući vašim operacijama da napreduju u dinamičnim okruženjima. Odaberite fleksibilnost, odaberite izdržljivost i otključajte novu eru učinkovitosti.
Od sirovina do konačne isporuke, održavamo rigoroznu kontrolu u svakoj fazi kako bismo osigurali trajnost, izvedbu i dosljednost.
01
02
03
04
05
06
07
08
09
10
11
12
