Prirubnica s zavarenim vratom predstavlja ultimativno rješenje za okruženja s visokim tlakom i visokom temperaturom, projektirana za pružanje neusporedive pouzdanosti putem robusnog sučeono zavarenog spoja i precizno izrađene brtvene površine. Dizajnirana za kritične primjene, ova se prirubnica besprijekorno integrira u cjevovode putem potpunog prodiranja sučeonog zavara, stvarajući monolitnu strukturu koja podnosi ekstremne pritiske, toplinske fluktuacije i mehanička opterećenja—što je čini nezamjenjivom u rafinerijama nafte, petrokemijskim postrojenjima i nuklearnim energetskim sustavima. Njegov konusni dizajn vrata ne samo da ojačava strukturalni integritet, već i smanjuje koncentraciju naprezanja, osiguravajući dugotrajnu izvedbu u zahtjevnim uvjetima. Proizvodni proces—koji obuhvaća napredno kovanje, toplinsku obradu za smanjenje naprezanja, preciznu završnu obradu, rigorozna ispitivanja bez razaranja (NDT) i površinske obrade protiv korozije—jamči komponentu koja premašuje industrijske standarde za sigurnost i trajnost.
| Promjer | DN15(1/2")-DN3500(138") |
| Pritisak | 0,25-25 MPa |
| Potvrda | PED, AD2000, EAC, ABS, BV, DNV, NORSOK M650, ISO9001, ISO14001, ISO45001, itd. |
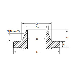
| Uvod u funkciju | Spajanje sučeonim zavarivanjem osigurava brtvljenje visoke čvrstoće za aplikacije visokog tlaka (HP) i visoke temperature (HT), osiguravajući nepropusnost u ekstremnim uvjetima |
| Polja primjene | Primjenjivo na prirubničke spojeve cijevi u naftovodima i plinovodima velike udaljenosti, offshore platformama, kemijskoj opremi, sustavima za pročišćavanje vode te prehrambenoj i farmaceutskoj industriji, prilagođeno složenim radnim uvjetima. |
| Pakiranje | Paket pogodan za more, kutije od šperploče ili palete ili prema zahtjevu kupaca |
| Istaknuti proizvodi | 1、Minimalna narudžba male serije; |
Od podmorskih cjevovoda koji su otporni na korozivnu morsku vodu do parnih turbina koje rade na visokim temperaturama, prirubnica s zavarenim vratom osigurava nepropusno brtvljenje i radni kontinuitet. Industrije koje zahtijevaju beskompromisnu kvalitetu, kao što su zrakoplovni fluidni sustavi ili kriogena pohrana, oslanjaju se na njegovu sposobnost održavanja integriteta pod cikličkim opterećenjem i izloženošću oštrim medijima. Kombinacijom vrhunske otpornosti materijala s preciznim inženjeringom, ova prirubnica smanjuje troškove životnog ciklusa minimiziranjem vremena zastoja i održavanja. Za inženjere zadužene za zaštitu infrastrukture s visokim ulozima, Weld Neck Flange je konačan izbor. Poboljšajte izvedbu svog sustava danas s našim vrhunskim prirubnicama za zavareni vrat—gdje se vrhunska proizvodnja susreće s otpornošću industrijske razine, osnažujući vaše operacije da svladaju ekstremne pritiske, temperaturu i vrijeme. Odaberite izvrsnost, odaberite izdržljivost i izgradite temelj za budućnost za svoje kritične sustave.
Od sirovina do konačne isporuke, održavamo rigoroznu kontrolu u svakoj fazi kako bismo osigurali trajnost, izvedbu i dosljednost.
01
02
03
04
05
06
07
08
09
10
11
12
