Prirubnica s navojem revolucionira povezivanje cjevovoda nudeći sigurno rješenje bez varenja za spajanje cijevi s navojem, što ga čini ultimativnim izborom za okruženja u kojima se o sigurnosti i prilagodljivosti ne može raspravljati. Projektirana s preciznim unutarnjim navojem, ova se prirubnica neprimjetno integrira s pocinčanim čeličnim cijevima ili sustavima u kojima je zavarivanje zabranjeno—kao što su zapaljiva, eksplozivna ili vrlo osjetljiva industrijska okruženja. Njegov inovativni dizajn eliminira opasnost od požara povezanu sa zavarivanjem, osiguravajući usklađenost sa strogim sigurnosnim protokolima, dok isporučuje robusnu, nepropusnu brtvu koja podnosi zahtjeve visokog tlaka. Navojna veza omogućuje brzu instalaciju i demontažu, osnažujući timove za održavanje za rješavanje problema ili nadogradnju sustava bez specijalizirane opreme, smanjujući zastoje u kritičnim operacijama poput kemijske obrade, distribucije nafte i plina ili farmaceutske proizvodnje.
| Veličina | DN15(1/2")-DN600(24") |
| Nazivni tlak | 0,6- 4,0 MPa |
| Raspon temperature | -45 ℃ do 260 ℃ |
| Potvrda | PED,AD2000,EAC, ABS,BV, DNV,NORSOK M650, ISO9001,ISO14001,ISO45001, itd. |
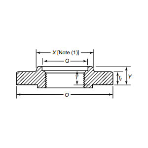
| Uvod u funkciju | Prirubnica s navojem spaja se na cijev s navojem preko unutarnjeg navoja cijevi, eliminirajući zavarivanje. Idealno za pocinčane čelične cijevi ili ograničena okruženja za zavarivanje (zapaljiva/eksplozivna). Odlikuje se jednostavnom ugradnjom i fleksibilnim održavanjem, posebno pogodnim za legirani čelik i druge materijale s lošom zavarljivošću. |
| Polja primjene | Primjenjivo na prirubničke spojeve cijevi u naftovodima i plinovodima velike udaljenosti, offshore platformama, kemijskoj opremi, sustavima za pročišćavanje vode te prehrambenoj i farmaceutskoj industriji, prilagođeno složenim radnim uvjetima. |
| Pakiranje | Paket pogodan za more, kutije od šperploče ili palete ili prema zahtjevu kupaca |
| Istaknuti proizvodi | 1、Minimalna narudžba male serije; |
Idealna za materijale sklone izazovima zavarivanja - kao što je legirani čelik - navojna prirubnica čuva cjelovitost materijala, izbjegavajući lomljivost ili izobličenje uzrokovano toplinom. Njegova konstrukcija otporna na koroziju, dostupna od ugljičnog čelika ili nehrđajućeg čelika, osigurava dugovječnost čak i u teškim uvjetima, od platformi za bušenje na moru do sanitarnih sustava za hranu. Potpomognuta rigoroznom usklađenošću s globalnim standardima, ova prirubnica jamči pouzdanost u zahtjevnim primjenama, uključujući hidrauličke sustave, kriogene cjevovode i prijenose zapaljivih tekućina. Za industrije kojima je prioritet sigurnost, učinkovitost i isplativo održavanje, navojna prirubnica je transformativno rješenje. Poboljšajte svoju infrastrukturu danas s našim vrhunskim navojnim prirubnicama - gdje se inovacija susreće s beskompromisnom sigurnošću, omogućujući vašim sustavima besprijekoran rad u najzahtjevnijim uvjetima. Odaberite povjerenje, odaberite trajnost i redefinirajte potencijal svog cjevovoda.
Od sirovina do konačne isporuke, održavamo rigoroznu kontrolu u svakoj fazi kako bismo osigurali trajnost, izvedbu i dosljednost.
01
02
03
04
05
06
07
08
09
10
11
12
